Skip To Content

Catalog

Type 2 Latches and Receivers securely fasten all manner of items.
Unit of Measure

Specifications

Type

N/A Large

Model

N/A TDS 81-4A V2-1106

Clamping Force

N/A 450 lb204 kg

Dimensions

N/A 5.75 x 1.50 x 0.50 in146 x 38.1 x12.7 mm

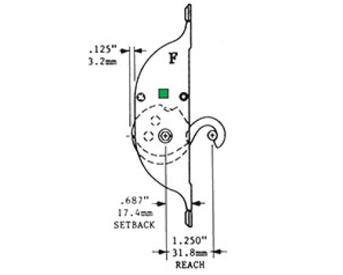
Setback

N/A 0.687 in17.4 mm

Reach

N/A 1.250 in31.8 mm

Material

N/A Steel

Operation

N/A Left-and Right-Handed

Applications

N/A

  • Partitions, trade show exhibits
  • Windows
  • Hinged and sliding doors
  • Displays
  • Store fixtures
  • Cases
  • Storm shutters
  • Theatrical scenery
  • Modular assemblies
  • Paneling
  • Electrical enclosures
  • Equipment shrouds
  • Sectional furniture, exhibits, counters, bars, flooring
  • Coffin sealing
  • Truck camper tiedown
  • Tractor hoods
  • Inline butt joints
  • Multiple panels and variable angles
  • Thin and very thin panels
  • T unions and corners and more.

Features

N/A

  • Type 2 Large: thin profile / 450# (204 kg) clamping force / 5.75 x1.50 x 0.50 in. (146 x 38.1 x12.7 mm)
  • Flush mounted (mortised in)
  • Two spring sizes can be used in Type 2 Large latches
  • Many setbacks (depths) in stock to accommodate numerous applications
  • Spring loaded and vibration - resistant
  • Compensates for fabrication tolerances
  • All steel construction, plated, smooth operation
  • Left- and right -handed operation (to lock)
  • Short receiver cases available for corners and Ts in very thin material
  • Latch/Receiver combinations facilitate inverting adjoining panels
  • Multiple latches can be ganged in series for simultaneous operation with a single key
  • Versatile latches: work with many special encased and non -encased receivers
  • Available option with Flush (#6-32 small, #8-32 large) Nut Inserts see TDS 72-1A or TDS 92-1

Need more info? Contact our Sales Engineers for information or quantity pricing.

Contact Us
^